Parts and Their Functions

This section provides you with the names and functions of all the parts of the machine.
For information on optional products, parts and their functions, see "Optional Products/Software."

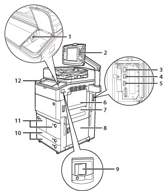
External View

The Booklet Finisher-Q1 PRO and Duplex Color Image Reader Unit-G1 are attached:
1.
USB Port (1)
Use the USB port to connect a USB device.
2.
Control Panel
Includes the keys, touch panel display, and indicators required for operating the machine. (See "Control Panel Parts and Functions.")
3.
LAN Port
Use a LAN cable to connect the machine to a network.
4.
USB Connector
Use a USB cable to connect the machine to a computer.
5.
USB Port (2)
Use the USB port to connect external hard disks and other devices to the machine.
6.
Multi-Purpose Tray
Use the multi-purpose tray to feed paper manually and for loading nonstandard paper stock. (See "Loading Paper into the Multi-Purpose Tray.")
7.
Main Unit's Upper Right Cover
Open this cover when clearing a paper jam inside the main unit. (See "Clearing Paper Jams.")
8.
Main Unit's Lower Right Cover
Open this cover when clearing a paper jam inside the main unit. (See "Clearing Paper Jams.")
9.
Main Power Switch
Press to the "I" side to turn the main power ON. (See "Main Power and Energy Saver Key.")
10.
Paper Drawer 3, 4
Holds up to approximately 550 sheets of paper (80 g/m2) or 680 sheets of paper (64 g/m2).
11.
Paper Drawer 1, 2 (Right/Left)
Holds up to approximately 1,500 sheets of paper (80 g/m2) or 1,700 sheets of paper (64 g/m2).
12.
USB Device Port
Add 2 USB port.
13.
LINE 2
Use this port to connect the Super G3 2nd Line Fax Board to the machine.
14.
LINE 1
Use this port to connect a fax line to the machine.
15.
Breaker
Detects excess current or leakage current.
16.
Test Button
Press this button to test the circuit breaker.
NOTE
The Super G3 2nd Line Fax Board is an optional product. For more information, see "System Configuration."
For information on the optional products required to use the fax function, see "Optional Products Required for Each Function."

Internal View

The Booklet Finisher-Q1 PRO and Duplex Color Image Reader Unit-G1 are attached:
1.
Toner Replacement Cover
Open this cover to replace the toner cartridge.
2.
Front Cover
Open this cover to clear a paper jam in the fixing transport unit. (See "Clearing Paper Jams.")
3.
Fixing Transport Unit
Pull the fixing transport unit out to clear a paper jam. (See "Clearing Paper Jams.")

Control Panel Parts and Functions

1.
Processing/Data Indicator
Flashes or blinks green when the machine is performing operations, and maintains a steady green light when fax data is stored in memory.
2.
Error Indicator
Flashes or lights if there is an error in the machine. When the Error indicator flashes, follow the instructions that appear on the touch panel display. When the Error indicator maintains a steady red light, contact your local authorized Canon dealer.
3.
Settings/Registration key
Press to specify settings/registration.
4.
Energy Saver key
Press to set or cancel the Energy Saver mode/Sleep mode. Lights when the machine enters the Energy Saver mode/Sleep mode. For more information on the mode which activates after is pressed, see "Switching Modes Activated After Pressing Energy Saver Key." For more information on the Auto Sleep mode, see "Main Power and Energy Saver Key."
5.
Counter Check key
Press to display the copy and print count totals on the touch panel display.
6.
Numeric keys
Press to enter numerical values.
7.
Clear key
Press to clear entered values or characters.
8.
Main Power Indicator
Lights when the main power is turned ON.
9.
Edit Pen
Use when operating the touch panel display, such as to enter characters. If you lose the edit pen, contact your local authorized Canon dealer. Do not use an object with a sharp end on the control panel, such as a pencil or ballpoint pen, in place of the edit pen.
10.
Stop key
Press to stop a job in progress, such as a scan, copy, or fax (scanning only) job.
11.
Start key
Press to start an operation.
12.
Reset key
Press to restore the standard settings of the machine.
13.
ID (Log In/Out) key
Press to log in/out when a login service such as Department ID Management or SSO-H has been set.
14.
Touch Panel Display
The settings screen for each function is shown on this display. Eight function keys are displayed by default.
15.
Brightness Adjustment Dial
Use to adjust the brightness of the touch panel display.
16.
Volume Settings key
Press to display the screen for adjusting settings, such as the transmission volume and fax sending/receiving alarm volume.
17.
Status Monitor/Cancel key
Press to check the status of jobs or to cancel print jobs. Also, press to check status of the machine, such as checking the amount of paper remaining.
18.
Quick Menu key
Press to retrieve favorite functions stored in Quick Menu. Also, if you are using authentication, Quick Menu set for each individual user can be displayed. (See "Quick Menu.")
19.
Main Menu key
Press to return to the Main Menu screen, such as when you want to switch functions.

NOTE
For more information on the optional products that can be attached to the machine, see "Optional Products/Software."
07FL-005